СПДС Железобетон
Нужна консультация?
Наши специалисты ответят на любой интересующий вопрос
Варианты поставки
Программа СПДС Железобетон предназначена для сокращения времени на подготовку графической конструкторской документации в разделах КЖ, КЖИ. Помимо ускорения подготовки документов, в программе возможно:
Основные возможности программы
|
Панель инструментов Расположение всех инструментов для работы на одной вкладке ленты.
|
|
|
|
Менеджер проекта Наличие инструмента - менеджер проекта для организации структуры проекта по сборочным единицам и элементному составу. Возможность отображения разделов проекта, сборки и состава элементов с заранее заданными параметрами: маркой, обозначением и наименованием.
Возможность редактирования параметров элементов, подсвечивания выбранного элемента на чертеже, копирования, перемещения элементов между сборками и разделами проекта. |
|
Команда Арматурный стержень
Выбор профилей арматурного проката и материала стали по ГОСТ. |
|
|
|
Команда Сечение арматуры |
|
Команды Шпилька, Скоба
Построение шпилек и скоб определяется последовательным указанием сечений арматуры либо предварительным выбором двух сечений арматуры.
|
|
|
|
Команда Хомут
Возможность построения хомутов с помощью последовательного указания сечений арматуры. Возможность автоматической отрисовки одной из типовых форм хомутов с помощью предварительного выбора четырех или восьми сечений арматуры. |
|
Команда Раскладка арматуры Наличие инструментов для: |
|
|
|
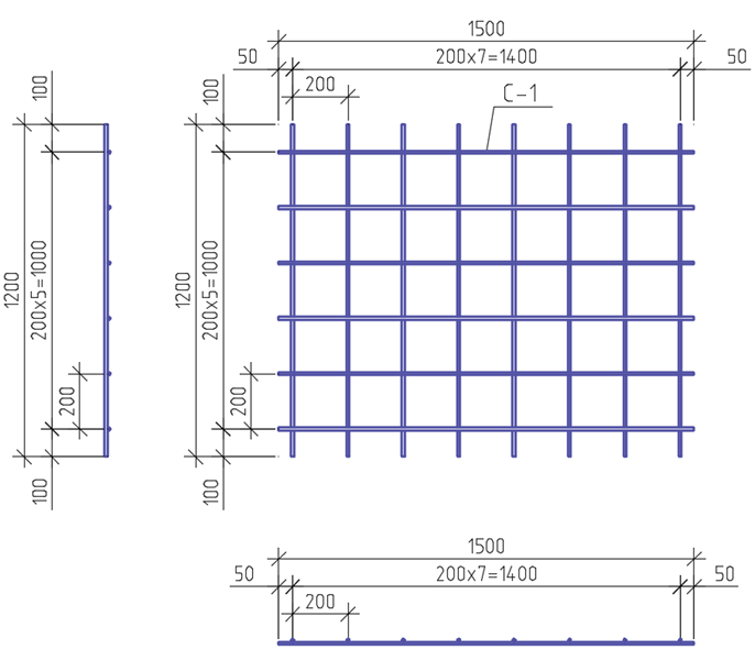
Команда Сетка Наличие шаблонов поВозможность создания пользовательской арматурной сетки. Возможность задания и редактирования параметров сетки через окно диалога или инспектор свойств. Возможность автоматического проставления размеров на сетках, создания марки изделия с позиционными выносками, вычисления общей массы сетки. Возможность подрезки сеток. Учет подрезки сетки в спецификациях. Возможность редактирования геометрии сетки с помощью специальных «ручек». Виды представления сетки: полное, условное, конечные стержни. Наличие ассоциативной связи параметров между сетками одной марки. Возможность выбора для сетки проекционного вида (сверху, снизу, спереди |
|
Команда Фоновое армирование
Возможность задания и редактирования параметров армирования через инспектор свойств.
|
|
|
|
Команда Вставка сваи
Возможность разработки свай по Серии 1.011.1−10 (Сваи забивные железобетонные).
Возможность выбора различных типоразмеров свай по Серии 1.011.1−10. |
|
Команда Вставка сборки Возможность преобразования набора объектов в динамический блок.
Наличие в блоке ассоциативной связи параметров с исходными объектами.
При редактировании исходного объекта меняются параметры и самого блока.
Возможность вставки сборки из вида.
Возможность подсветки зеленой рамкой вида.
Вид, в который можно вставить вставку сборки, должен принадлежать другой сборке.
|
|
|
|
Команда Показать элементы в спецификации Если вставка входит в спецификацию, цвет подсветки — зеленый, если нет — красный. Возможность изменения состояния свойства Включать в спецификацию с помощью селекции. |
|
Команда Выбрать объекты на чертеже
Возможность выбора всех объектов определенной марки на чертеже.
|
|
|
|
База элементов
Наличие параметрической базы железобетонных конструкций с такими элементами, как: |
|
Спецификации Возможность автоматического формирования для любой сборочной единицы такой документации, как: |
|














