СПДС Металлоконструкции
Нужна консультация?
Наши специалисты ответят на любой интересующий вопрос
Варианты поставки
В качестве графической платформы СПДС Металлоконструкции обязательно используется надстройка к AutoCAD — СПДС GraphiCS.
Основные возможности программы
|
Панель инструментов Наличие необходимых инструментов на одной панели. |
|
|
|
Менеджер проекта Возможность отображения разделов проекта, сборки и состава элементов. Возможность редактирования настройки элементов, подсветки выбранного элемента на чертеже, копирование, перемещение между сборками и разделами проекта. |
|
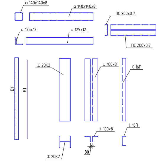
Создание балок и колонн с помощью специальных команд Возможность выбора профилей металлопроката и материала стали по ГОСТ. Возможность выбора проекционного вида. Возможность выбора представления профиля: Возможность указания геометрии и места вставки профиля. Варианты маркировки элементов: Возможность создания своего типа и маркировки элемента. Возможность циклической вставки или вставки нескольких объектов определенной марки. Возможность редактирования длины, изменение геометрического расположения элемента с помощью специальных «ручек». Возможность автоматического формирования обозначения и расчета массы профиля. Наличие ассоциативной связи параметров для профилей, имеющих одинаковую марку. |
|
|
|
Команда создания пластин Возможность выбора листового проката и материала стали по ГОСТ. Возможность задания пластине проекционного вида. Возможность задания геометрии и точки вставки пластины. Возможность выбора варианта маркировки пластины: толщина, типоразмер. Возможность редактирования геометрии пластин с помощью специальных «ручек». Возможность автоматического формирования обозначения и расчета массы.
Наличие ассоциативной связи параметров для профилей, имеющих одинаковую марку. |
|
Подрезка профилей Наличие команды Произвольная обрезка контура для возможности подрезки профиля до нужной длины и под необходимым углом.
Возможность восстановления ранее созданных подрезок с помощью команды Удалить контур обрезки.
Возможность подрезки профиля с помощью специальных «ручек». |
|
|
|
Режим перекрытия элементов Наличие команды Режим перекрытия элементов для изменения линии контура объекта в местах перекрытия на обычное или штриховое отображение.
Автоматическое изменение режима перекрытия при изменении положения конструктивных элементов на чертеже. |
|
Режим перемещения элементов Возможность изменения расположения элементов относительно друг друга.
Возможность автоматического изменения расположения элементов при изменении положения конструктивных элементов на чертеже. |
|
|
|
Узлы
Возможность автоматической маркировки и нумерации узлов на чертеже.
Возможность автоматической подрезки профилей, входящих в узел. Возможность автоматической установки линий обрыва в узлах. |
|
Команда Вставка сборки
Наличие команды для преобразования набора объектов в динамический блок. |
|
|
|
Команда Показать элементы в спецификации Возможность подсветки всех вставок элементов на чертеже при запуске команды Показать элементы в спецификации. Если вставка входит в спецификацию, цвет подсветки — зеленый, если нет — красный.
С помощью селекции возможность менять состояние свойства Включать в спецификацию. |
|
Команда Выбрать объекты на чертеже
Возможность выбора всех объектов данной марки на чертеже. |
|
|
|
Команда Переназначить вид Возможность переноса выбранного объекта между видами. |
|
База элементов
Наличие огромной базы металлических элементов, которые можно добавлять в чертеж, редактировать их геометрию, изменять виды проекции, подрезать, использовать в спецификациях, отчетах и таблицах. |
|
|
|
Спецификации |













